您好,歡迎光臨帝國科技!
產品分類
PRODUCT
PRODUCT
- 國產晶振
- 聲表面濾波器
- 石英晶體
- 石英晶振
- 貼片晶振
- 陶瓷晶振
- 陶瓷濾波器
- 陶瓷霧化片
- 進口晶振
- MERCURY晶振
- Fujicom晶振
- 日本大真空晶振
- 愛普生晶振
- 西鐵城晶振
- 精工晶振
- 村田陶瓷晶振
- 日本京瓷晶振
- 日本進口NDK晶體
- 大河晶振
- TXC晶振
- 亞陶晶振
- 臺灣泰藝晶體
- 臺灣鴻星晶體
- 美國CTS晶體
- 微孔霧化片
- 加高晶振
- 希華石英晶振
- AKER晶振
- NAKA晶振
- SMI晶振
- NJR晶振
- NKG晶振
- Sunny晶振
- 歐美晶振
- Abracon晶振
- ECS晶振
- Golledge晶振
- IDT晶振
- Jauch晶振
- Pletronics晶振
- Raltron晶振
- SiTime晶振
- Statek晶振
- Greenray晶振
- 康納溫菲爾德晶振
- Ecliptek晶振
- Rakon晶振
- Vectron晶振
- 微晶晶振
- AEK晶振
- AEL晶振
- Cardinal晶振
- Crystek晶振
- Euroquartz晶振
- FOX晶振
- Frequency晶振
- GEYER晶振
- KVG晶振
- ILSI晶振
- MMDCOMP晶振
- MtronPTI晶振
- QANTEK晶振
- QuartzCom晶振
- Quarztechnik晶振
- Suntsu晶振
- Transko晶振
- Wi2Wi晶振
- ACT晶振
- MTI晶振
- Lihom晶振
- Rubyquartz晶振
- Oscilent晶振
- SHINSUNG晶振
- ITTI晶振
- PDI晶振
- ARGO晶振
- IQD晶振
- Microchip晶振
- Silicon晶振
- Fortiming晶振
- CORE晶振
- NIPPON晶振
- NICKC晶振
- QVS晶振
- Bomar晶振
- Bliley晶振
- GED晶振
- FILTRONETICS晶振
- STD晶振
- Q-Tech晶振
- Anderson晶振
- Wenzel晶振
- NEL晶振
- EM晶振
- PETERMANN晶振
- FCD-Tech晶振
- HEC晶振
- FMI晶振
- Macrobizes晶振
- AXTAL晶振
帝國博客
更多>>- 規格型號:69294880
- 頻率:32.768KHZ
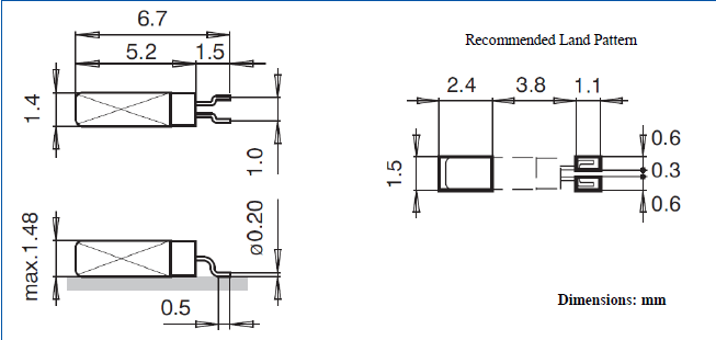
- 尺寸:5.2 x 1.45 x 1.45mm
- 產品描述:32.768K時鐘晶體具有小型,薄型,輕型的貼片晶振表面音叉型晶體諧振器,產品具有優良的耐熱性,耐環境特性,可發揮晶振優良的電氣特性,符合RoHS規定,滿足無鉛焊接的高溫回流溫度曲線要求,金屬外殼的封裝使得產品在封裝時能...
Abracon晶振,石英晶振,AB26TRQ晶振,無鉛晶振


Abracon晶振,石英晶振,AB26TRQ晶振,無鉛晶振32.768K音叉型石英晶體諧振器產品具有以下幾種規格,3*8,2*6,我公司所有材料均是來自日本進口,封裝測試設備采用日本精工儀器設備,并且從日本聘請高級技術工程師,我司所生產的32.768K晶體具有一致性良好,頻率穩定度高,耐抗震強,每批次出廠均采用24小時老化測試,產品精度分為以下幾種±20ppm,±10ppm,±5ppm,也可以根據客戶需求特殊分為+偏差,或者-偏差,晶振產品使用溫度高溫可達到+70°低溫可達到-40°產品被廣泛應用到比較高端的汽車電子產品,民用產品有家用電器,智能筆記本,MP3,MP4多功能播放器,智能手表等產品。

較低的CL和較低的ESR提高了回路的運行增益裕度,確保了所有變量的持續振蕩,Abracon晶振,石英晶振,AB26TRQ晶振,無鉛晶振包括偏差,負載,溫度和時間變化。 Gm_critical是晶體必須實現的關鍵跨導值,以保持在環路運行的安全區域。不符合gm_critical的石英晶體諧振器與Pierce振蕩器不匹配,并可能導致與啟動相關的長期可靠性問題。由于給定的Pierce振蕩器的功耗降低gm和gm_crictical,部署在物聯網和可穿戴應用中的節能設計最有可能發生故障。進行PAS測試可降低風險并提高系統的可靠性。
Abracon歐美晶振工程副總裁Syed Raza評論說:“半導體技術致力于將所有的功耗從最新一代的MCU和RF芯片組中扭轉出來,芯片上的皮爾斯振蕩器缺乏必要的增益,對gm_critical指標產生不利影響。 PAS測試是診斷可預防問題的最可靠的方法。


正常溫度和濕度:
溫度:+15°C 至 +35°C,濕度 25 % RH 至 85 % RH(請參閱“測試點JIS C 60068-1 / IEC 60068-1的標準條件”章節內容)。
(2) 請仔細處理內外盒與卷帶。外部壓力會導致卷帶受到損壞。
9.安裝時注意事項
9.1.耐焊性
加熱包裝材料至+150°C以上會破壞產品特性或損害產品。如需在+150°C以上焊接晶體產品,建議使用石英晶振SMD產品。在下列回流條件下,對晶體產品甚至SMD產品使用更高溫度,會破壞產品特性。建議使用下列配置情況的回流條件。安裝這些產品之前,應檢查焊接溫度和時間。同時,在安裝條件更改的情況下,請再次進行檢查。如果需要焊接的晶體產品在下列配置條件下進行焊接,請聯系我們以獲取耐熱的相關信息。
.jpg)

深圳市帝國科技有限公司
SHENZHEN DIGUO TECHONLOGY CO.,LTD
聯系人:譚蘭艾 手 機:86-13826527865
電 話:86-0755-27881119 QQ:921977998
E-mail:dgkjly@163.com
網 址:www.southsidecondovip.com
地 址:中國廣東省深圳市寶安區西鄉大道新湖路

較低的CL和較低的ESR提高了回路的運行增益裕度,確保了所有變量的持續振蕩,Abracon晶振,石英晶振,AB26TRQ晶振,無鉛晶振包括偏差,負載,溫度和時間變化。 Gm_critical是晶體必須實現的關鍵跨導值,以保持在環路運行的安全區域。不符合gm_critical的石英晶體諧振器與Pierce振蕩器不匹配,并可能導致與啟動相關的長期可靠性問題。由于給定的Pierce振蕩器的功耗降低gm和gm_crictical,部署在物聯網和可穿戴應用中的節能設計最有可能發生故障。進行PAS測試可降低風險并提高系統的可靠性。
Abracon歐美晶振工程副總裁Syed Raza評論說:“半導體技術致力于將所有的功耗從最新一代的MCU和RF芯片組中扭轉出來,芯片上的皮爾斯振蕩器缺乏必要的增益,對gm_critical指標產生不利影響。 PAS測試是診斷可預防問題的最可靠的方法。

晶振參數 | 符號 | AB26TRQ晶振 | |
標準頻率 | fo | 32.768kHz | |
存儲溫度 | T_stg | -55℃ ~ + 125℃ | |
工作溫度 | T_use | -40℃ ~ + 85℃ | |
頻率穩定度 | F_tol | ±20.0×10-6 Max | |
激進電平 | DL | 1.0 uW Max | |
轉換溫度 | TI | ﹢25℃± 5℃ | |
拋物系數 | B | -0.035 ×10-6 /℃2 Max | |
耐沖擊性 | S.R | ±5 ×10-6 Max | |
負載電容 | CL | 12.5pF | |
串聯電阻(ESR) | R1 | 30 KΩ Max | |
頻率老化 | F_age | ± 5 ×10-6 /years Max |


存儲事項
(1) 在更高或更低溫度或高濕度環境下長時間保存Abracon晶振,石英晶振,AB26TRQ晶振,無鉛晶振晶體產品時,會影響頻率穩定性或焊接性。請在正常溫度和濕度環境下保存這些石英晶體產品,并在開封后盡可能進行安裝,以免長期儲藏。正常溫度和濕度:
溫度:+15°C 至 +35°C,濕度 25 % RH 至 85 % RH(請參閱“測試點JIS C 60068-1 / IEC 60068-1的標準條件”章節內容)。
(2) 請仔細處理內外盒與卷帶。外部壓力會導致卷帶受到損壞。
9.安裝時注意事項
9.1.耐焊性
加熱包裝材料至+150°C以上會破壞產品特性或損害產品。如需在+150°C以上焊接晶體產品,建議使用石英晶振SMD產品。在下列回流條件下,對晶體產品甚至SMD產品使用更高溫度,會破壞產品特性。建議使用下列配置情況的回流條件。安裝這些產品之前,應檢查焊接溫度和時間。同時,在安裝條件更改的情況下,請再次進行檢查。如果需要焊接的晶體產品在下列配置條件下進行焊接,請聯系我們以獲取耐熱的相關信息。
.jpg)
Abracon集團將有效率的使用自然資源和能源,以便從Abracon晶振,石英晶振,AB26TRQ晶振,無鉛晶振 無源晶體源頭減少廢物產生和排放。我們將在關注于預防環境和安全事故,保護公眾健康的同時,努力改進我們的操作。我公司將積極參與加強公眾環境、健康和安全意識的活動,提高公眾對普遍的環境、健康和安全問題的注意。
Abracon進口晶振所有的經營組織都將積極應用國際標準以及適用的法律法規。為促進合理有效的公共政策的制訂實施加強戰略聯系。
消除事故和環境方面的偶發事件,減少廢物的產生和排放,有效的使用能源和各種自然資源,對緊急事件做好充分準備,以便及時做出反應。
Abracon進口晶振所有的經營組織都將積極應用國際標準以及適用的法律法規。為促進合理有效的公共政策的制訂實施加強戰略聯系。
消除事故和環境方面的偶發事件,減少廢物的產生和排放,有效的使用能源和各種自然資源,對緊急事件做好充分準備,以便及時做出反應。


SHENZHEN DIGUO TECHONLOGY CO.,LTD
聯系人:譚蘭艾 手 機:86-13826527865
電 話:86-0755-27881119 QQ:921977998
E-mail:dgkjly@163.com
網 址:www.southsidecondovip.com
地 址:中國廣東省深圳市寶安區西鄉大道新湖路