您好,歡迎光臨帝國科技!
產品分類
PRODUCT
PRODUCT
- 國產晶振
- 聲表面濾波器
- 石英晶體
- 石英晶振
- 貼片晶振
- 陶瓷晶振
- 陶瓷濾波器
- 陶瓷霧化片
- 進口晶振
- MERCURY晶振
- Fujicom晶振
- 日本大真空晶振
- 愛普生晶振
- 西鐵城晶振
- 精工晶振
- 村田陶瓷晶振
- 日本京瓷晶振
- 日本進口NDK晶體
- 大河晶振
- TXC晶振
- 亞陶晶振
- 臺灣泰藝晶體
- 臺灣鴻星晶體
- 美國CTS晶體
- 微孔霧化片
- 加高晶振
- 希華石英晶振
- AKER晶振
- NAKA晶振
- SMI晶振
- NJR晶振
- NKG晶振
- Sunny晶振
- 歐美晶振
- Abracon晶振
- ECS晶振
- Golledge晶振
- IDT晶振
- Jauch晶振
- Pletronics晶振
- Raltron晶振
- SiTime晶振
- Statek晶振
- Greenray晶振
- 康納溫菲爾德晶振
- Ecliptek晶振
- Rakon晶振
- Vectron晶振
- 微晶晶振
- AEK晶振
- AEL晶振
- Cardinal晶振
- Crystek晶振
- Euroquartz晶振
- FOX晶振
- Frequency晶振
- GEYER晶振
- KVG晶振
- ILSI晶振
- MMDCOMP晶振
- MtronPTI晶振
- QANTEK晶振
- QuartzCom晶振
- Quarztechnik晶振
- Suntsu晶振
- Transko晶振
- Wi2Wi晶振
- ACT晶振
- MTI晶振
- Lihom晶振
- Rubyquartz晶振
- Oscilent晶振
- SHINSUNG晶振
- ITTI晶振
- PDI晶振
- ARGO晶振
- IQD晶振
- Microchip晶振
- Silicon晶振
- Fortiming晶振
- CORE晶振
- NIPPON晶振
- NICKC晶振
- QVS晶振
- Bomar晶振
- Bliley晶振
- GED晶振
- FILTRONETICS晶振
- STD晶振
- Q-Tech晶振
- Anderson晶振
- Wenzel晶振
- NEL晶振
- EM晶振
- PETERMANN晶振
- FCD-Tech晶振
- HEC晶振
- FMI晶振
- Macrobizes晶振
- AXTAL晶振
帝國博客
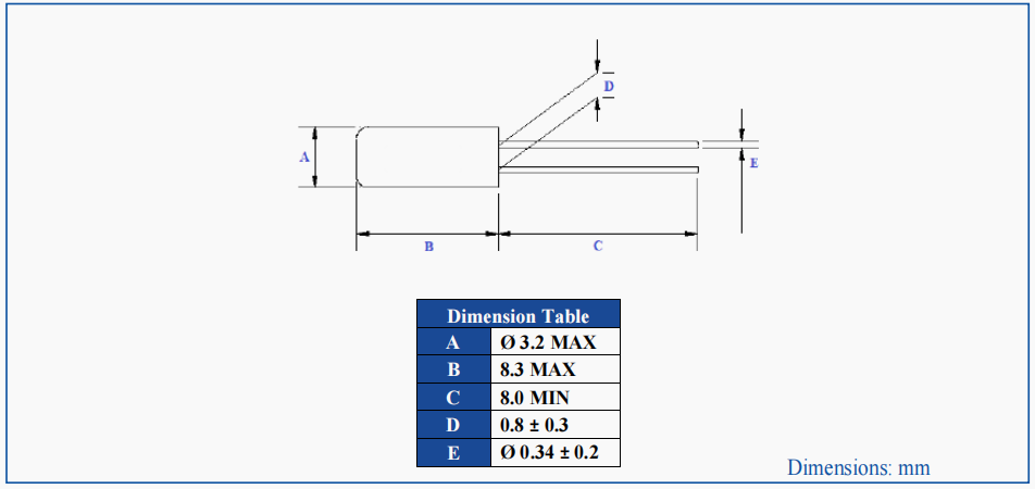
更多>>- 規格型號:31267312
- 頻率:32.768KHz
- 尺寸:3*8
- 產品描述:ABRACON高精度晶體,AB38T-32.768KHZ-B7表晶,AB38T智能穿戴設備晶振,美國艾博康晶振公司,艾博康晶振,進口晶振,AB38T-32.768KHZ-B7晶振,無源晶振,音叉晶振,32.768KHz晶振,美國晶振,高品質晶振,石英晶體,低損...
ABRACON高精度晶體,AB38T-32.768KHZ-B7表晶,AB38T智能穿戴設備晶振


.jpg)

ABRACON高精度晶體,AB38T-32.768KHZ-B7表晶,AB38T智能穿戴設備晶振,美國艾博康晶振公司,艾博康晶振,進口晶振,AB38T-32.768KHZ-B7晶振,無源晶振,音叉晶振,32.768KHz晶振,美國晶振,高品質晶振,石英晶體,低損耗晶振,Abracon晶振,高精度晶振。適用于RoHS回流配置文件,在-10至+60ºC范圍內提供±10ppm的緊密穩定性,Seam密封陶瓷封裝確保高精度和可靠性,藍牙,無線應用,計算機,調制解調器,微處理器,通信,測試設備,便攜式收音機和MP3播放器

參數 | Minimum | Typical | Maximum | Units | Notes |
頻率 | ----- | 32.768 | ----- | kHz | |
工作溫度 | - 10 | ----- | +60 | ºC | See options |
周轉溫度 | +20 | +25 | +30 | ºC | |
儲存溫度 | -40 | ----- | +85 | ºC | |
頻率容差 | -20 | ----- | +20 | ppm | See options |
頻率系數 | -0.035±0.01 | ppm/°C2 | |||
等效串聯電阻 | ----- | ----- | 30 | k? | |
分流電容 | ----- | 1.60 | ----- | pF | |
運動電容 | ----- | 0.0035 | ----- | pF | |
電容比 | ----- | 460 | ----- | ----- | |
負載電容 | ----- | 12.5 | ----- | pF | See options |
驅動電平 | ----- | ----- | 1 | µW | |
質量系數 | ----- | 90,000 | ----- | ||
老化 | -3 | +3 | ppm | ||
絕緣電阻 | 500 | ----- | ----- | M? | @ 100Vdc ± 15V |

ABRACON高精度晶體,AB38T-32.768KHZ-B7表晶,AB38T智能穿戴設備晶振
.png)

編碼 | 品牌 | 型號 | 頻率 | 頻率穩定度 | 頻率容差 | 負載 |
AB26T-32.768KHZ | Abracon | AB26T | 32.768 kHz | ±20ppm | 12.5 pF | |
AB26T-32.768KHZ-6 | Abracon | AB26T | 32.768 kHz | ±20ppm | 6 pF | |
AB26T-32.768KHZ-E | Abracon | AB26T | 32.768 kHz | ±20ppm | 12.5 pF | |
AB26TRB-32.768KHZ-6-TR | Abracon | AB26TRB | 32.768 kHz | ±20ppm | 6 pF | |
AB26TRB-32.768KHZ-T | Abracon | AB26TRB | 32.768 kHz | ±20ppm | 12.5 pF | |
AB26TRQ-32.768KHZ-T | Abracon | AB26TRQ | 32.768 kHz | ±20ppm | 12.5 pF | |
AB308-10.000MHZ | Abracon | AB308 | 10 MHz | ±50ppm | ±30ppm | 16 pF |
AB308-12.000MHZ | Abracon | AB308 | 12 MHz | ±50ppm | ±30ppm | 16 pF |
AB308-12.288MHZ | Abracon | AB308 | 12.288 MHz | ±50ppm | ±30ppm | 16 pF |
AB308-12.352MHZ | Abracon | AB308 | 12.352 MHz | ±50ppm | ±30ppm | 16 pF |
AB308-14.31818MHZ | Abracon | AB308 | 14.31818 MHz | ±50ppm | ±30ppm | 16 pF |
AB308-14.7456MHZ | Abracon | AB308 | 14.7456 MHz | ±50ppm | ±30ppm | 16 pF |
AB308-16.000MHZ | Abracon | AB308 | 16 MHz | ±50ppm | ±30ppm | 16 pF |
AB308-16.257MHZ | Abracon | AB308 | 16.257 MHz | ±50ppm | ±30ppm | 16 pF |
AB308-16.667MHZ | Abracon | AB308 | 16.667 MHz | ±50ppm | ±30ppm | 16 pF |
AB308-20.000MHZ | Abracon | AB308 | 20 MHz | ±50ppm | ±30ppm | 16 pF |
AB308-26.540MHZ | Abracon | AB308 | 26.54 MHz | ±50ppm | ±30ppm | 16 pF |
AB308-28.000MHZ | Abracon | AB308 | 28 MHz | ±50ppm | ±30ppm | 16 pF |
AB308-28.6363MHZ | Abracon | AB308 | 28.6363 MHz | ±50ppm | ±30ppm | 16 pF |
AB308-29.4912MHZ | Abracon | AB308 | 29.4912 MHz | ±50ppm | ±30ppm | 16 pF |
AB308-4.000MHZ | Abracon | AB308 | 4 MHz | ±50ppm | ±30ppm | 16 pF |
AB308-4.9152MHZ | Abracon | AB308 | 4.9152 MHz | ±50ppm | ±30ppm | 16 pF |
AB308-5.000MHZ | Abracon | AB308 | 5 MHz | ±50ppm | ±30ppm | 16 pF |
AB308-53.125MHZ | Abracon | AB308 | 53.125 MHz | ±50ppm | ±30ppm | 16 pF |
AB308-6.000MHZ | Abracon | AB308 | 6 MHz | ±50ppm | ±30ppm | 16 pF |
AB308-7.3728MHZ | Abracon | AB308 | 7.3728 MHz | ±50ppm | ±30ppm | 16 pF |
AB308-8.000MHZ | Abracon | AB308 | 8 MHz | ±50ppm | ±30ppm | 16 pF |
AB38T-32.768KHZ | Abracon | AB38T | 32.768 kHz | ±20ppm | 12.5 pF | |
AB38T-32.768KHZ-B7 | Abracon | AB38T | 32.768 kHz | ±15ppm | 12.5 pF | |
ABC2-10.000MHZ-4-T | Abracon | ABC2 | 10 MHz | ±30ppm | ±30ppm | 18 pF |
ABC2-10.000MHZ-D4Y-T | Abracon | ABC2 | 10 MHz | ±30ppm | ±30ppm | 18 pF |
ABC2-11.0592MHZ-4-T | Abracon | ABC2 | 11.0592 MHz | ±30ppm | ±30ppm | 18 pF |
ABC2-11.2896MHZ-4-T | Abracon | ABC2 | 11.2896 MHz | ±30ppm | ±30ppm | 18 pF |
ABC2-12.000MHZ-4-T | Abracon | ABC2 | 12 MHz | ±30ppm | ±30ppm | 18 pF |
ABC2-12.288MHZ-4-T | Abracon | ABC2 | 12.288 MHz | ±30ppm | ±30ppm | 18 pF |
ABC2-14.31818MHZ-4-T | Abracon | ABC2 | 14.31818 MHz | ±30ppm | ±30ppm | 18 pF |
ABC2-14.7456MHZ-4-T | Abracon | ABC2 | 14.7456 MHz | ±30ppm | ±30ppm | 18 pF |
ABC2-14.7456MHZ-D4Y-T | Abracon | ABC2 | 14.7456 MHz | ±30ppm | ±30ppm | 18 pF |
ABC2-15.000MHZ-4-T | Abracon | ABC2 | 15 MHz | ±30ppm | ±30ppm | 18 pF |
ABC2-15.360MHZ-4-T | Abracon | ABC2 | 15.36 MHz | ±30ppm | ±30ppm | 18 pF |
ABC2-16.000MHZ-4-T | Abracon | ABC2 | 16 MHz | ±30ppm | ±30ppm | 18 pF |
ABC2-16.666MHZ-4-T | Abracon | ABC2 | 16.666 MHz | ±30ppm | ±30ppm | 18 pF |
ABC2-18.432MHZ-4-T | Abracon | ABC2 | 18.432 MHz | ±30ppm | ±30ppm | 18 pF |
ABC2-19.440MHZ-4-T | Abracon | ABC2 | 19.44 MHz | ±30ppm | ±30ppm | 18 pF |
ABC2-20.000MHZ-4-T | Abracon | ABC2 | 20 MHz | ±30ppm | ±30ppm | 18 pF |
ABC2-20.480MHZ-4-T | Abracon | ABC2 | 20.48 MHz | ±30ppm | ±30ppm | 18 pF |
ABC2-20.480MHZ-BY-T | Abracon | ABC2 | 20.48 MHz | ±30ppm | ±50ppm | 18 pF |
ABC2-22.1184MHZ-4-T | Abracon | ABC2 | 22.1184 MHz | ±30ppm | ±30ppm | 18 pF |
ABC2-24.000MHZ-4-T | Abracon | ABC2 | 24 MHz | ±30ppm | ±30ppm | 18 pF |
ABC2-24.576MHZ-4-T | Abracon | ABC2 | 24.576 MHz | ±30ppm | ±30ppm | 18 pF |
ABC2-25.000MHZ-4-T | Abracon | ABC2 | 25 MHz | ±30ppm | ±30ppm | 18 pF |
ABC2-3.579545MHZ-4-T | Abracon | ABC2 | 3.579545 MHz | ±50ppm | ±30ppm | 18 pF |
ABC2-3.6864MHZ-4-T | Abracon | ABC2 | 3.6864 MHz | ±50ppm | ±30ppm | 18 pF |
ABC2-4.000MHZ-4-T | Abracon | ABC2 | 4 MHz | ±50ppm | ±30ppm | 18 pF |
ABC2-4.000MHZ-D-T | Abracon | ABC2 | 4 MHz | ±50ppm | ±50ppm | 18 pF |
ABC2-4.096MHZ-4-T | Abracon | ABC2 | 4.096 MHz | ±50ppm | ±30ppm | 18 pF |
ABC2-4.9152MHZ-4-T | Abracon | ABC2 | 4.9152 MHz | ±50ppm | ±30ppm | 18 pF |
ABC2-5.000MHZ-4-T | Abracon | ABC2 | 5 MHz | ±50ppm | ±30ppm | 18 pF |
ABC2-6.000MHZ-4-T | Abracon | ABC2 | 6 MHz | ±30ppm | ±30ppm | 18 pF |
ABC2-6.144MHZ-4-T | Abracon | ABC2 | 6.144 MHz | ±30ppm | ±30ppm | 18 pF |
ABC2-7.3728MHZ-4-T | Abracon | ABC2 | 7.3728 MHz | ±30ppm | ±30ppm | 18 pF |
ABC2-7.680MHZ-4-T | Abracon | ABC2 | 7.68 MHz | ±30ppm | ±30ppm | 18 pF |
ABC2-8.000MHZ-4-T | Abracon | ABC2 | 8 MHz | ±30ppm | ±30ppm | 18 pF |
ABC2-9.8304MHZ-4-T | Abracon | ABC2 | 9.8304 MHz | ±30ppm | ±30ppm | 18 pF |


SHENZHEN DIGUO TECHONLOGY CO.,LTD
聯系人:譚蘭艾 手 機:86-13826527865
電 話:86-0755-27881119 QQ:921977998
E-mail:dgkjly@163.com
網 址:www.southsidecondovip.com
地 址:中國廣東省深圳市寶安區西鄉大道新湖路