您好,歡迎光臨帝國科技!
產品分類
PRODUCT
PRODUCT
- 國產晶振
- 聲表面濾波器
- 石英晶體
- 石英晶振
- 貼片晶振
- 陶瓷晶振
- 陶瓷濾波器
- 陶瓷霧化片
- 進口晶振
- MERCURY晶振
- Fujicom晶振
- 日本大真空晶振
- 愛普生晶振
- 西鐵城晶振
- 精工晶振
- 村田陶瓷晶振
- 日本京瓷晶振
- 日本進口NDK晶體
- 大河晶振
- TXC晶振
- 亞陶晶振
- 臺灣泰藝晶體
- 臺灣鴻星晶體
- 美國CTS晶體
- 微孔霧化片
- 加高晶振
- 希華石英晶振
- AKER晶振
- NAKA晶振
- SMI晶振
- NJR晶振
- NKG晶振
- Sunny晶振
- 歐美晶振
- Abracon晶振
- ECS晶振
- Golledge晶振
- IDT晶振
- Jauch晶振
- Pletronics晶振
- Raltron晶振
- SiTime晶振
- Statek晶振
- Greenray晶振
- 康納溫菲爾德晶振
- Ecliptek晶振
- Rakon晶振
- Vectron晶振
- 微晶晶振
- AEK晶振
- AEL晶振
- Cardinal晶振
- Crystek晶振
- Euroquartz晶振
- FOX晶振
- Frequency晶振
- GEYER晶振
- KVG晶振
- ILSI晶振
- MMDCOMP晶振
- MtronPTI晶振
- QANTEK晶振
- QuartzCom晶振
- Quarztechnik晶振
- Suntsu晶振
- Transko晶振
- Wi2Wi晶振
- ACT晶振
- MTI晶振
- Lihom晶振
- Rubyquartz晶振
- Oscilent晶振
- SHINSUNG晶振
- ITTI晶振
- PDI晶振
- ARGO晶振
- IQD晶振
- Microchip晶振
- Silicon晶振
- Fortiming晶振
- CORE晶振
- NIPPON晶振
- NICKC晶振
- QVS晶振
- Bomar晶振
- Bliley晶振
- GED晶振
- FILTRONETICS晶振
- STD晶振
- Q-Tech晶振
- Anderson晶振
- Wenzel晶振
- NEL晶振
- EM晶振
- PETERMANN晶振
- FCD-Tech晶振
- HEC晶振
- FMI晶振
- Macrobizes晶振
- AXTAL晶振
帝國博客
更多>>- 規格型號:3939785
- 頻率:32.768kHz
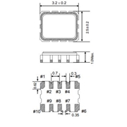
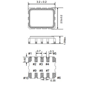
- 尺寸:3.2*2.5*1.0mm
- 產品描述:愛普生已經建立了一個原始的垂直整合制造模型的最佳手段持續為客戶創造新的價值,并決定使用這個模型來驅動前面提到的四個關鍵領域的創新.這意味著從頭開始創建產品:創建我們自己的獨特的核心技術和設備,使用這些作為基...
愛普生晶振,TG-3541CEA晶振,有源十腳晶振


.jpg)

愛普生晶振,TG-3541CEA晶振,有源十腳晶振,愛普生已經建立了一個原始的垂直整合制造模型的最佳手段持續為客戶創造新的價值,并決定使用這個模型來驅動前面提到的四個關鍵領域的創新.這意味著從頭開始創建產品:創建我們自己的獨特的核心技術和設備,使用這些作為基地的規劃和設計提供獨特價值的產品,生產或制造的藝術和科學,我們積累了多年的專業知識,然后生產晶振,石英晶振,有源晶振,壓控振蕩器, 32.768K鐘表晶振,溫補晶振等出售給我們的客戶.
普通石英晶振,外觀完全使用金屬材料封裝的,產品本身采用全自動石英晶體檢測儀,以及跌落,漏氣等苛刻實驗.產品本身具有高穩定性,高可靠性的石英晶體諧振器,焊接方面支持表面貼裝,外觀采用金屬封裝,具有充分的密封性能,晶振本身能確保其高可靠性,采用編帶包裝,可對應產品應用到自動貼片機告訴安裝,滿足無鉛焊接的高溫回流溫度曲線要求.
愛普生晶振,TG-3541CEA晶振,有源十腳晶振,愛普生晶振以音叉型石英晶體諧振器,(32.768KHZ)系列出名,目前愛普生品牌遍布全世界,而千赫茲的晶體應用范圍也比較廣闊,所有的時記產品都需要用上KHZ系列晶體,該系列產品具有小型,薄型石英晶體諧振器,特別適用于有小型化要求的市場領域.

晶振參數 | 符號 | TG-3541CEA | |
標準頻率 | fo | 32.768KHZ | |
電源電壓 | VCC | 1.5~5.5v | |
存儲溫度 | T_stg | -55℃ ~ +125℃ | |
工作溫度 | T_use | -40℃ ~ +85℃ | |
頻率穩定度 | F_tol | ±8×10-6 Max | |
激進電平 | DL | 1.0 uW Max | |
轉換溫度 | TI | ﹢25℃± 5℃ | |
拋物系數 | B | -0.04 ×10-6 /℃2 Max | |
耐沖擊性 | S.R | ±10 ×10-6 Max | |
負載電容 | CL | 30pF | |
串聯電阻(ESR) | R1 | 70KΩ Max | |
頻率老化 | F_aging | ± 3 ×10-6 /years Max |



.jpg)
愛普生晶振,TG-3541CEA晶振,有源十腳晶振,輸出負載
建議將石英晶振輸出負載安裝在盡可能靠近振蕩器的地方(在20 mm范圍之間).
未用輸入終端的處理
未用針腳可能會引起噪聲響應,從而導致非正常工作.同時,當P通道和N通道都處于打開時,電源功率消耗也會增加;因此,請將未用輸入終端連接到VCC 或GND.
超聲波清洗
(1)使用AT-切割晶體和聲表面濾波器(SAW)/聲表面諧振器的產品,可以通過超聲波進行清洗.但是,在某些條件下, 晶振特性可能會受到影響,而且內部線路可能受到損壞.確保已事先檢查系統的適用性.
(2)使用音叉晶體和陀螺儀傳感器的產品無法確保能夠通過超聲波方法進行清洗,因為晶振可能受到破壞.
(3)請勿清洗開啟式晶振產品
(4)對于可清洗晶振產品,應避免使用可能對產品產生負面影響的清洗劑或溶劑等.
(5)焊料助焊劑的殘留會吸收水分并凝固.這會引起諸如位移等其它現象.這將會負面影響產品的可靠性和質量.請清理殘余的助焊劑并烘干PCB.
所有石英晶體振蕩器和實時時鐘模塊都以IC形式提供.
噪音
在電源或輸入端上施加執行級別(過高)的不相干(外部的)噪音,可能導致會引發功能失常或擊穿的閉門或雜散現象.
電源線路
電源的線路阻抗應盡可能低.
建議將石英晶振輸出負載安裝在盡可能靠近振蕩器的地方(在20 mm范圍之間).
未用輸入終端的處理
未用針腳可能會引起噪聲響應,從而導致非正常工作.同時,當P通道和N通道都處于打開時,電源功率消耗也會增加;因此,請將未用輸入終端連接到VCC 或GND.
超聲波清洗
(1)使用AT-切割晶體和聲表面濾波器(SAW)/聲表面諧振器的產品,可以通過超聲波進行清洗.但是,在某些條件下, 晶振特性可能會受到影響,而且內部線路可能受到損壞.確保已事先檢查系統的適用性.
(2)使用音叉晶體和陀螺儀傳感器的產品無法確保能夠通過超聲波方法進行清洗,因為晶振可能受到破壞.
(3)請勿清洗開啟式晶振產品
(4)對于可清洗晶振產品,應避免使用可能對產品產生負面影響的清洗劑或溶劑等.
(5)焊料助焊劑的殘留會吸收水分并凝固.這會引起諸如位移等其它現象.這將會負面影響產品的可靠性和質量.請清理殘余的助焊劑并烘干PCB.
所有石英晶體振蕩器和實時時鐘模塊都以IC形式提供.
噪音
在電源或輸入端上施加執行級別(過高)的不相干(外部的)噪音,可能導致會引發功能失常或擊穿的閉門或雜散現象.
電源線路
電源的線路阻抗應盡可能低.


SHENZHEN DIGUO TECHONLOGY CO.,LTD
手 機:86-13826527865
電 話:86-0755-27881119 QQ:921977998
E-mail:dgkjly@163.com
網 址:www.southsidecondovip.com
地 址:中國廣東省深圳市寶安區西鄉大道新湖路