PRODUCT
- 國產晶振
- 聲表面濾波器
- 石英晶體
- 石英晶振
- 貼片晶振
- 陶瓷晶振
- 陶瓷濾波器
- 陶瓷霧化片
- 進口晶振
- MERCURY晶振
- Fujicom晶振
- 日本大真空晶振
- 愛普生晶振
- 西鐵城晶振
- 精工晶振
- 村田陶瓷晶振
- 日本京瓷晶振
- 日本進口NDK晶體
- 大河晶振
- TXC晶振
- 亞陶晶振
- 臺灣泰藝晶體
- 臺灣鴻星晶體
- 美國CTS晶體
- 微孔霧化片
- 加高晶振
- 希華石英晶振
- AKER晶振
- NAKA晶振
- SMI晶振
- NJR晶振
- NKG晶振
- Sunny晶振
- 歐美晶振
- Abracon晶振
- ECS晶振
- Golledge晶振
- IDT晶振
- Jauch晶振
- Pletronics晶振
- Raltron晶振
- SiTime晶振
- Statek晶振
- Greenray晶振
- 康納溫菲爾德晶振
- Ecliptek晶振
- Rakon晶振
- Vectron晶振
- 微晶晶振
- AEK晶振
- AEL晶振
- Cardinal晶振
- Crystek晶振
- Euroquartz晶振
- FOX晶振
- Frequency晶振
- GEYER晶振
- KVG晶振
- ILSI晶振
- MMDCOMP晶振
- MtronPTI晶振
- QANTEK晶振
- QuartzCom晶振
- Quarztechnik晶振
- Suntsu晶振
- Transko晶振
- Wi2Wi晶振
- ACT晶振
- MTI晶振
- Lihom晶振
- Rubyquartz晶振
- Oscilent晶振
- SHINSUNG晶振
- ITTI晶振
- PDI晶振
- ARGO晶振
- IQD晶振
- Microchip晶振
- Silicon晶振
- Fortiming晶振
- CORE晶振
- NIPPON晶振
- NICKC晶振
- QVS晶振
- Bomar晶振
- Bliley晶振
- GED晶振
- FILTRONETICS晶振
- STD晶振
- Q-Tech晶振
- Anderson晶振
- Wenzel晶振
- NEL晶振
- EM晶振
- PETERMANN晶振
- FCD-Tech晶振
- HEC晶振
- FMI晶振
- Macrobizes晶振
- AXTAL晶振
帝國博客
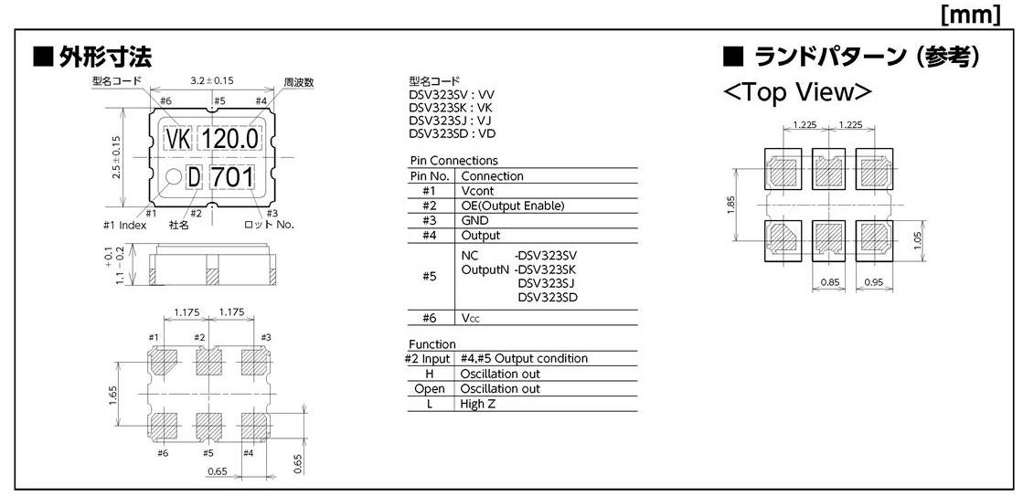
更多>>- 規格型號:74772032
- 頻率:6.75~170MHZ
- 尺寸:3.2*2.5*1.2mm
- 產品描述:KDS晶振,DSV323SV晶振,CMOS輸出晶振,日本株式會社大真空KDS晶振三種信賴行為守則:可靠的人以獨立、自助、自足的努力作為基本的行動原則,我們將充分利用我們的優勢,為社會整體和接近一切真誠和熱情。可靠的晶振,石...
KDS晶振,DSV323SV晶振,CMOS輸出晶振


KDS晶振,DSV323SV晶振,CMOS輸出晶振,日本株式會社大真空KDS晶振三種信賴行為守則:
可靠的人以獨立、自助、自足的努力作為基本的行動原則,我們將充分利用我們的優勢,為社會整體和接近一切真誠和熱情。
可靠的晶振,石英晶振,有源晶振,壓控振蕩器,我們將幫助實現一個富裕的社會,通過優化我們的能力,開發最好的產品和服務,并提供給我們所有的客戶在世界各地。
可靠的KDS晶振公司,我們努力履行我們的企業社會責任,通過持續的利潤,通過企業活動,遵守所有的法律法規,尊重他們的精神,注重與全球環境的和諧。
1我們對KDS晶振公司的管理政策、管理原則和管理措施有正確的認識,并本著KDS晶振公司和全社會的利益,不關心個人的利益和成本。
2我們將從觀念到問題的解決,而不受制于陳規或慣例。
3我們會不時與有關人士進行討論,如有需要,以方便談判的調整,并將建立良好的關系,試圖解決任何問題的誠意。
4我們將通過理解對方的立場,繼續說服對方,以便處理石英晶振,貼片晶振,陶瓷霧化片,石英晶體諧振器,任何疑難問題。
5我們將始終有一個環境兼容性和執行環境兼容的活動作為我們的主要主題之一。
6我們將在每一種情況下充滿信心地工作并有精神完成工作。
7我們將努力建立這樣的性格和個人磁性被接受和信任周圍的每一個人。
8我們要努力建立良好的人際關系,有時要勇于接受別人的脆弱。
9我們將遵守法律法規以及任何規則,包括各種規章制度和既定的社會規范,并確保信息的安全性認識到信息的重要性。
10我們將始終采取一個明智的行動作為社會成員。KDS晶振,DSV323SV晶振,CMOS輸出晶振.
規格參數 | DSV323SV晶振 |
頻率范圍 | 6.75~170MHZ |
電源電壓 | +3.3V±0.165V |
負載電容 | 15PF |
溫度特征 |
±50×10-6 max. ±100×10-6 min. [Positive Slope] -10?+70℃/-40?+85℃(動作溫度范圍) |
消費電流 |
12mA 6.75MHz≦fo≦90MHz 25mA 80MHz≦fo≦170MHz [No Load] |
負荷變動特性 | / |
電源電壓特性 | / |
老化率 | / |
起動時間 | 2.0ms max |
.jpg)


存儲事項
(1) 在更高或更低溫度或高濕度環境下長時間保存晶體產品時,會影響頻率穩定性或焊接性。請在正常溫度和濕度環境下保存這些晶體產品,并在開封后盡可能進行安裝,以免長期儲藏。
正常溫度和濕度:
溫度:+15°C 至 +35°C,濕度 25 % RH 至 85 % RH(請參閱“測試點JIS C 60068-1 / IEC 60068-1的標準條件”章節內容)。
(2) 請仔細處理內外盒與卷帶。外部壓力會導致卷帶受到損壞。
安裝時注意事項
耐焊性
加熱包裝材料至+150°C以上會破壞產品特性或損害產品。如需在+150°C以上焊接晶體產品,建議使用SMD產品。在下列回流條件下,對晶體產品甚至SMD產品使用更高溫度,會破壞產品特性。建議使用下列配置情況的回流條件。安裝這些產品之前,應檢查焊接溫度和時間。同時,在安裝條件更改的情況下,請再次進行檢查。如果需要焊接的石英晶體產品在下列配置條件下進行焊接,請聯系我們以獲取耐熱的相關信息。
(1)柱面式產品和DIP產品
型號 焊接條件
[ 柱面式 音叉晶振]
C-類型,C-2-類型,C-4-類型 +280°C或低于@最大值5 s
請勿加熱封裝材料超過+150°C
[ 柱面式 ]
CA-301
[ DIP ]
SG-51 / 531, SG-8002DB DC,
RTC-72421 / 7301DG +260°C或低于@最大值 10 s
請勿加熱封裝材料超過+150°C
(2)SMD晶振產品回流焊接條件(實例)
用于JEDEC J-STD-020D.01回流條件的耐熱可用性需個別判斷。請聯系我們以便獲取相關信息。
盡可能使溫度變化曲線保持平滑。KDS晶振,DSA321SDN晶振,無線通信設備專用晶振.
KDS晶振所有的經營組織都將積極應用國際標準以及適用的法律法規。為促進合理有效的公共政策的制訂實施加強戰略聯系。
消除事故和環境方面的偶發事件,減少廢物的產生和排放,有效的使用能源和各種自然資源,對緊急事件做好充分準備,以便及時做出反應。
對我們的產品進行檢驗,同時告知我們的員工顧客以及公眾,如何安全的使用,如何使用對環境影響較小,幫助我們的雇員合同方商業伙伴服務提供上理解他們的行為如何影響著環境。
公司的各項能源、資源消耗指標和排放指標達到國內領先、國際先進水平。
KDS晶振集團實施創新戰略,提高自主創新能力,確保公司可持續發展。實施節約戰略,提高建設節約環保型企業能力,確保實現節能環保規劃目標。
致力于環境保護,包括預防污染。在石英晶振晶體產品的規劃到制造、運行維修等整個過程中,努力提供環保型的產品和服務。在業務活動中,努力節約資源并節省能源,致力于減少廢棄物和再生資源的回收利用。在積極公開有關環境的信息的同時,通過支持環保活動,廣泛地為社會作貢獻。致力于保護生物多樣性和可持續利用。切實運行環境管理系統PDmCA(Plan-Do-multiple Check-Act),努力提高環境性能,不斷改善運用系統。
KDS晶振,貼片晶振,石英晶體振蕩器在“制造、使用、有效利用、再利用”這樣一個產品生命周期中,努力創造豐富的價值,給社會帶來溫馨和安寧,感動和驚喜,同時為減少環境影響,努力做好“防止地球變暖、有效利用資源、對化學物質進行管理”,實現與地球的和諧相處。KDS晶振,DSV323SV晶振,CMOS輸出晶振.

深圳市帝國科技有限公司
SHENZHEN DIGUO TECHONLOGY CO.,LTD
手 機:86-13826527865
電 話:86-0755-27881119 QQ:921977998
E-mail:dgkjly@163.com
網 址:www.southsidecondovip.com
地 址:中國廣東省深圳市寶安區西鄉大道新湖路