您好,歡迎光臨帝國科技!
產品分類
PRODUCT
PRODUCT
- 國產晶振
- 聲表面濾波器
- 石英晶體
- 石英晶振
- 貼片晶振
- 陶瓷晶振
- 陶瓷濾波器
- 陶瓷霧化片
- 進口晶振
- MERCURY晶振
- Fujicom晶振
- 日本大真空晶振
- 愛普生晶振
- 西鐵城晶振
- 精工晶振
- 村田陶瓷晶振
- 日本京瓷晶振
- 日本進口NDK晶體
- 大河晶振
- TXC晶振
- 亞陶晶振
- 臺灣泰藝晶體
- 臺灣鴻星晶體
- 美國CTS晶體
- 微孔霧化片
- 加高晶振
- 希華石英晶振
- AKER晶振
- NAKA晶振
- SMI晶振
- NJR晶振
- NKG晶振
- Sunny晶振
- 歐美晶振
- Abracon晶振
- ECS晶振
- Golledge晶振
- IDT晶振
- Jauch晶振
- Pletronics晶振
- Raltron晶振
- SiTime晶振
- Statek晶振
- Greenray晶振
- 康納溫菲爾德晶振
- Ecliptek晶振
- Rakon晶振
- Vectron晶振
- 微晶晶振
- AEK晶振
- AEL晶振
- Cardinal晶振
- Crystek晶振
- Euroquartz晶振
- FOX晶振
- Frequency晶振
- GEYER晶振
- KVG晶振
- ILSI晶振
- MMDCOMP晶振
- MtronPTI晶振
- QANTEK晶振
- QuartzCom晶振
- Quarztechnik晶振
- Suntsu晶振
- Transko晶振
- Wi2Wi晶振
- ACT晶振
- MTI晶振
- Lihom晶振
- Rubyquartz晶振
- Oscilent晶振
- SHINSUNG晶振
- ITTI晶振
- PDI晶振
- ARGO晶振
- IQD晶振
- Microchip晶振
- Silicon晶振
- Fortiming晶振
- CORE晶振
- NIPPON晶振
- NICKC晶振
- QVS晶振
- Bomar晶振
- Bliley晶振
- GED晶振
- FILTRONETICS晶振
- STD晶振
- Q-Tech晶振
- Anderson晶振
- Wenzel晶振
- NEL晶振
- EM晶振
- PETERMANN晶振
- FCD-Tech晶振
- HEC晶振
- FMI晶振
- Macrobizes晶振
- AXTAL晶振
帝國博客
更多>>- 規格型號:46366458
- 頻率:455
- 尺寸:9.5*6.5mm詳細內容請瀏覽PDF文檔
- 產品描述:在這科技一日千里的時代,從早期普通電子產品離不開的陶瓷低頻與中頻時代,到現在基本被IC集成,或者是產品設計更改成為石英晶體諧振器.回想十幾年前的場景,至今還歷歷在目,那時候千赫子的陶瓷諧振器CRB455E
LTM455GW濾波器,陶瓷濾波器3+2


在這科技一日千里的時代,從早期普通電子產品離不開的陶瓷低頻與中頻時代,到現在基本被IC集成,或者是產品設計更改成為石英晶體諧振器.回想十幾年前的場景,至今還歷歷在目,那時候千赫子的陶瓷諧振器CRB455E的用量是相當的大,在90年底末,2000年底初,無線遙控電子產品在我國算是起步后發展的最快的時期,比如,電視機遙控器,風扇遙控器,空調遙控器,VCD遙控器,音箱遙控器等等,幾乎那時候只要跟電子相關的產品人民都想變成無線遙控使用.所以也就造就了壓電陶瓷諧振器器件的輝煌歷史.在那個時期就光CRB455E這一個型號產品就養活著中國千萬勞動力,因為這個器件幾乎所有的工序都是人工組裝而成的.陶瓷諧振器,是一種壓電元器件,類似于石英晶體,可以把電能轉換為機械能,也可以把機械能轉換為電能.具有對激勵信號頻率十分敏感的突出特點,當外加的交流電場的頻率和諧振器的諧振頻率發生共振時,電能和機械能的轉換會發生在諧振器的諧振頻率上.
帝國科技 ZTB 中頻諧振器系列(與村田 CSB 系列相容)提供給工程師一個低頻段的諧振元器件,頻率范圍在 190kHz 至 1250kHz,頻率公差為 ±0.5%.由于 ZTB 陶瓷諧振器是應用面積振蕩的壓電陶瓷元器件,故尺寸會因頻率不同而不同.特殊的頻點及引腳亦可提供設計.

【LTM455GW濾波器產品圖片】

.jpg)

【LTM455GW濾波器主要特性】

【LTM455GW濾波器尺寸圖片】

千赫子壓電陶瓷諧振器片狀型產品,一般電子產品用標準頻率公差型,利用本公司獨創的封裝技術,實現了千赫頻率“陶瓷諧振器”.該系列非常適合用于微型遙控裝置和AV模塊中.可采用回流焊接,可使用自動貼片機高速自動貼裝焊接,被公司CRB系列低頻陶瓷諧振器系列已批量生產,常規型號長期被有現貨.以下是KHZ晶振產品系列特點: 該系列產品可采用回流焊接,并且可以選擇插件以及貼片晶振使用自動貼片機器焊接安裝.產品無需做調整即可用于線路振蕩電路.成熟的產品被廣泛應用到家用電器遙控產品,DVD,電視機等系列產品.
帝國科技 ZTB 中頻諧振器系列(與村田 CSB 系列相容)提供給工程師一個低頻段的諧振元器件,頻率范圍在 190kHz 至 1250kHz,頻率公差為 ±0.5%.由于 ZTB 陶瓷諧振器是應用面積振蕩的壓電陶瓷元器件,故尺寸會因頻率不同而不同.特殊的頻點及引腳亦可提供設計.

【LTM455GW濾波器產品圖片】

.jpg)

【LTM455GW濾波器主要特性】
- 頻率精度 (at 25°C) (%):±2kHz,或 ±0.5%.
- 溫度穩定性 (-20°C ~ +80°C) (%):±0.3.
- 老化率(10年)(%) ±0.3.
- 與村田諧振器 CSB 兼容.
- 可搭配多種不同 IC.
- 陶瓷諧振器 (CRB---ZTB) 技術特性
陶瓷諧振器 型 號 |
頻率精度 (at 25°C) |
諧振阻抗 (Ω) |
溫度穩定性 (-20°C~+80°C)(%) |
老化率(10年)(%) | 負載電容(pF) | |
C1 | C2 | |||||
ZTB82 ~ ZTB189 * | ±2kHz | ≤20 | ±0.3 | ±0.3 | / | / |
ZTB190D ~ ZTB249D | ±1kHz | ≤20 | ±0.3 | ±0.3 | 330 | 470 |
ZTB250D ~ ZTB374D | ±1kHz | ≤20 | ±0.3 | ±0.3 | 220 | 470 |
ZTB375P ~ ZTB429P | ±2kHz | ≤20 | ±0.3 | ±0.3 | 120 | 470 |
ZTB430E ~ ZTB509E | ±2kHz | ≤20 | ±0.3 | ±0.3 | 100 | 100 |
ZTB510P ~ ZTB699P | ±2kHz | ≤30 | ±0.3 | ±0.3 | 100 | 100 |
ZTB700J ~ ZTB999J | ±0.5% | ≤70 | ±0.3 | ±0.3 | 100 | 100 |
ZTB1000J ~ ZTB1250J | ±0.5% | ≤100 | ±0.3 | ±0.3 | 100 | 100 |

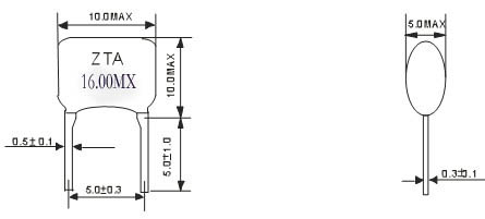
【LTM455GW濾波器尺寸圖片】

千赫子壓電陶瓷諧振器片狀型產品,一般電子產品用標準頻率公差型,利用本公司獨創的封裝技術,實現了千赫頻率“陶瓷諧振器”.該系列非常適合用于微型遙控裝置和AV模塊中.可采用回流焊接,可使用自動貼片機高速自動貼裝焊接,被公司CRB系列低頻陶瓷諧振器系列已批量生產,常規型號長期被有現貨.以下是KHZ晶振產品系列特點: 該系列產品可采用回流焊接,并且可以選擇插件以及貼片晶振使用自動貼片機器焊接安裝.產品無需做調整即可用于線路振蕩電路.成熟的產品被廣泛應用到家用電器遙控產品,DVD,電視機等系列產品.