您好,歡迎光臨帝國科技!
產品分類
PRODUCT
PRODUCT
- 國產晶振
- 聲表面濾波器
- 石英晶體
- 石英晶振
- 貼片晶振
- 陶瓷晶振
- 陶瓷濾波器
- 陶瓷霧化片
- 進口晶振
- MERCURY晶振
- Fujicom晶振
- 日本大真空晶振
- 愛普生晶振
- 西鐵城晶振
- 精工晶振
- 村田陶瓷晶振
- 日本京瓷晶振
- 日本進口NDK晶體
- 大河晶振
- TXC晶振
- 亞陶晶振
- 臺灣泰藝晶體
- 臺灣鴻星晶體
- 美國CTS晶體
- 微孔霧化片
- 加高晶振
- 希華石英晶振
- AKER晶振
- NAKA晶振
- SMI晶振
- NJR晶振
- NKG晶振
- Sunny晶振
- 歐美晶振
- Abracon晶振
- ECS晶振
- Golledge晶振
- IDT晶振
- Jauch晶振
- Pletronics晶振
- Raltron晶振
- SiTime晶振
- Statek晶振
- Greenray晶振
- 康納溫菲爾德晶振
- Ecliptek晶振
- Rakon晶振
- Vectron晶振
- 微晶晶振
- AEK晶振
- AEL晶振
- Cardinal晶振
- Crystek晶振
- Euroquartz晶振
- FOX晶振
- Frequency晶振
- GEYER晶振
- KVG晶振
- ILSI晶振
- MMDCOMP晶振
- MtronPTI晶振
- QANTEK晶振
- QuartzCom晶振
- Quarztechnik晶振
- Suntsu晶振
- Transko晶振
- Wi2Wi晶振
- ACT晶振
- MTI晶振
- Lihom晶振
- Rubyquartz晶振
- Oscilent晶振
- SHINSUNG晶振
- ITTI晶振
- PDI晶振
- ARGO晶振
- IQD晶振
- Microchip晶振
- Silicon晶振
- Fortiming晶振
- CORE晶振
- NIPPON晶振
- NICKC晶振
- QVS晶振
- Bomar晶振
- Bliley晶振
- GED晶振
- FILTRONETICS晶振
- STD晶振
- Q-Tech晶振
- Anderson晶振
- Wenzel晶振
- NEL晶振
- EM晶振
- PETERMANN晶振
- FCD-Tech晶振
- HEC晶振
- FMI晶振
- Macrobizes晶振
- AXTAL晶振
帝國博客
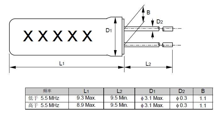
更多>>- 規格型號:61893200
- 頻率:4.000~64.000MHZ
- 尺寸:3.0*9.0mm
- 產品描述:貼片石英晶體,"CA-301 20.0000M-C:PBFREE"體積小,焊接可采用自動貼片系統,產品本身小型,表面貼片晶振,特別適用于有小型化要求的電子數碼產品市場領域,因產品小型,薄型優勢,耐環境特性,包括耐高溫,耐沖擊性等,在移動通...
CA-301石英晶體諧振器,愛普生晶振代理商,圓柱晶振,CA-301 20.0000M-C:PBFREE


.jpg)
CA-301石英晶體諧振器,愛普生晶振代理商,圓柱晶振,"CA-301 20.0000M-C:PBFREE",體積小,產品本身小型,表面插件晶振,特別適用于有小型化要求的電子數碼產品市場領域,因產品小型,薄型優勢,耐環境特性,包括耐高溫,耐沖擊性等,在移動通信領域得到了廣泛的應用,愛普生晶振產品本身可發揮優良的電氣特性,滿足無鉛焊接的高溫回流溫度曲線要求.

愛普生晶振規格 | 符號 | 規格說明 | 條件 |
---|---|---|---|
額定頻率范圍 | f_nom | 4.000MHz ~ 29.999MHz | 基頻 *1 |
30.000MHz ~ 64.000MHz | 三次諧波 *2 | ||
儲存溫度 | T_stg | -40°C ~ +85°C | 裸存 |
工作溫度 | T_use | -20°C ~ +70°C | 對于低于等于5.5MHz的頻率,運作溫度范圍位于-10°C ~ +60°C |
激勵功率 | DL | 10μW ~ 100μW | |
頻率公差 (標準) |
f_tol |
±30 × 10-6 (低于5.5MHz:±50 × 10-6, ±100 × 10-6) |
+25°C |
頻率溫度特征 (標準) |
f_tem | 低于 5.5MHz: ±50 × 10-6 | -10°C ~ +60°C |
超出 5.5MHz: ±30 × 10-6 | -20°C ~ +70°C | ||
負載電容 | CL | 基頻:10pF ~ ∞. | 可指定 |
泛音:5pF ~ ∞ | |||
串聯電阻(ESR) | R1 | 如下表所示 |
-20°C ~ +70°C, DL=100μW |
頻率老化 | f_age | ±5 × 10-6 / year Max. |
+25°C, 第一年 |



"CA-301 20.0000M-C:PBFREE",愛普生把《經營理念》置于企業經營的軸心.在遵守法律法規和企業道德倫理的基礎上,通過創造超越顧客期待的價值的企業活動,建立與全體利益相關方之間的信賴關系并伴隨社會共同發展,從而為創造更美好的社會而做出積極的貢獻.
為了實現《經營理念》,愛普生在2005年制定了《企業行動準則》,明確為顧客、股東和投資家等所有利益相關方所應注意的事項及應采取的行動,并在整個集團貫徹落實.2006年,在《企業行動準則》的基礎上制定了《員工行為規范》,明確每位員工應采取的行動.《員工行為規范》根據社會環境的變化以及法律法規的動向而隨時修訂.




SHENZHEN DIGUO TECHONLOGY CO.,LTD
聯系人:譚蘭艾 手 機:86-13826527865
電 話:86-0755-27881119 QQ:921977998
E-mail:dgkjly@163.com
網 址:www.southsidecondovip.com
地 址:中國廣東省深圳市寶安區西鄉大道新湖路