您好,歡迎光臨帝國科技!
產品分類
PRODUCT
PRODUCT
- 國產晶振
- 聲表面濾波器
- 石英晶體
- 石英晶振
- 貼片晶振
- 陶瓷晶振
- 陶瓷濾波器
- 陶瓷霧化片
- 進口晶振
- MERCURY晶振
- Fujicom晶振
- 日本大真空晶振
- 愛普生晶振
- 西鐵城晶振
- 精工晶振
- 村田陶瓷晶振
- 日本京瓷晶振
- 日本進口NDK晶體
- 大河晶振
- TXC晶振
- 亞陶晶振
- 臺灣泰藝晶體
- 臺灣鴻星晶體
- 美國CTS晶體
- 微孔霧化片
- 加高晶振
- 希華石英晶振
- AKER晶振
- NAKA晶振
- SMI晶振
- NJR晶振
- NKG晶振
- Sunny晶振
- 歐美晶振
- Abracon晶振
- ECS晶振
- Golledge晶振
- IDT晶振
- Jauch晶振
- Pletronics晶振
- Raltron晶振
- SiTime晶振
- Statek晶振
- Greenray晶振
- 康納溫菲爾德晶振
- Ecliptek晶振
- Rakon晶振
- Vectron晶振
- 微晶晶振
- AEK晶振
- AEL晶振
- Cardinal晶振
- Crystek晶振
- Euroquartz晶振
- FOX晶振
- Frequency晶振
- GEYER晶振
- KVG晶振
- ILSI晶振
- MMDCOMP晶振
- MtronPTI晶振
- QANTEK晶振
- QuartzCom晶振
- Quarztechnik晶振
- Suntsu晶振
- Transko晶振
- Wi2Wi晶振
- ACT晶振
- MTI晶振
- Lihom晶振
- Rubyquartz晶振
- Oscilent晶振
- SHINSUNG晶振
- ITTI晶振
- PDI晶振
- ARGO晶振
- IQD晶振
- Microchip晶振
- Silicon晶振
- Fortiming晶振
- CORE晶振
- NIPPON晶振
- NICKC晶振
- QVS晶振
- Bomar晶振
- Bliley晶振
- GED晶振
- FILTRONETICS晶振
- STD晶振
- Q-Tech晶振
- Anderson晶振
- Wenzel晶振
- NEL晶振
- EM晶振
- PETERMANN晶振
- FCD-Tech晶振
- HEC晶振
- FMI晶振
- Macrobizes晶振
- AXTAL晶振
帝國博客
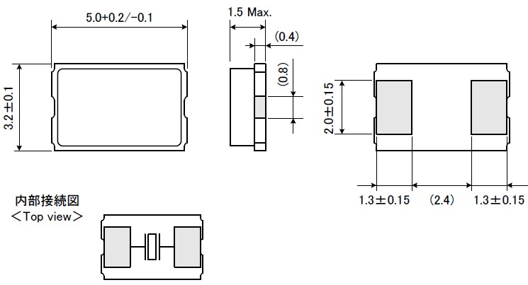
更多>>- 規格型號:37736458
- 頻率:8.0~60.0MHZ
- 尺寸:5.0*3.2mm
- 產品描述:RIVER ELETEC是以生產晶體、晶振為主的電子元器件廠家.尤其在SMD型(表貼型)小型水晶元器件方面一直處于行業領先地位,積累了許多獨特的技術,贏得了“小型元器件找RIVER”的信譽.
大河FCX-03晶振,石英晶體諧振器,二腳陶瓷面晶體


.jpg)

大河FCX-03晶振,石英晶體諧振器,二腳陶瓷面晶體,貼片晶振在生產工藝上采用了高精密點膠技術:晶片膠點的位置、大小:位置準確度以及膠點大小一致性,通過圖像識別及高精密度數字定位系統的運用、使晶片的點膠的精度在±0.02mm之內.二腳SMD陶瓷面貼片晶振,表面陶瓷封裝,其實是屬于壓電石英晶振,是高可靠的環保性能,嚴格的頻率分選,編帶盤裝,可應用于高速自動貼片機焊接,產品本身設計合理,成本和性能良好,產品被廣泛應用于平板電腦,MP5,數碼相機,USB接口最佳選擇,包含RoHS指令豁免的密封玻璃中的鉛.

晶振參數 | 型號FCX-03 |
---|---|
頻率范圍 | 8.000~60.000MHZ |
負載電容 | 8Pf,10pF,or special |
頻率偏差 | ±15ppm,±20ppm,±30ppm,±50ppm |
工作溫度 | -20~+70℃,-30~+85℃,-40~+85℃ |
儲存溫度 | -40~+85℃ |
激進功率 | 500μW Max |
串聯電阻(ESR) | 70kΩ Max |



機械振動的影響
當石英晶體產品上存在任何給定沖擊或受到周期性機械振動時,比如:壓電揚聲器,壓電蜂鳴器,以及喇叭等,輸出頻率和幅度會受到影響.這種現象對通信器材通信質量有影響.盡管晶體產品設計可最小化這種機械振動的影響,我們推薦事先檢查并按照下列安裝指南進行操作.
PCB設計指導
(1) 理想情況下,機械蜂鳴器應安裝在一個獨立于晶體器件的PCB板上.如果您安裝在同一個PCB板上,最好使用余量或切割PCB.當應用于PCB板本身或PCB板體內部時,機械振動程度有所不同.建議遵照內部板體特性.
(2) 在設計時請參考相應的推薦封裝.
(3) 在使用焊料助焊劑時,按JIS標準(JIS C 60068-2-20/IEC 60,068-2-20).來使用.
(4) 請按JIS標準(JIS Z 3282, Pb 含量 1000ppm, 0.1wt% 或更少)來使用無鉛焊料.
操作
請勿用鑷子或任何堅硬的工具,夾具直接接觸IC的表面.
使用環境(溫度和濕度)
請在規定的溫度范圍內使用產品.這個溫度涉及本體的和季節變化的溫度.在高濕環境下,會由于凝露引起故障.請避免凝露的產生.
.jpg)
.jpg)
自1949年生產電阻以來,公司一貫重視開發具有獨特性能的元器件,經過60多年的發展,RIVER ELETEC現已成為一個以研發和生產晶振為核心業務的日本上市公司,公司產品以不斷追求“小型化、高性能、高品質 ”為目標,服務于手機,IT,數碼,汽車等多個領域,擁有穩定的國內外客戶群體.
公司以提高用戶滿意度為目標,不斷推進集團整體業務的發展.讓用戶滿意,就是讓使用裝有本公司產品的手機、數碼相機等電子設備的廣大用戶滿意.我們深知這一點,因而更加努力向目標邁進.由于小型水晶元器件在信息通信中是必不可少的部件,因此上述理念已深深植入于本公司每個員工的心中.

近來由于污染排放總量管制受到應有重視,各種污染減量與管理機制的議題已陸續成為主管機關與企業間執行污染防制的重點,為追求生產綠色產品之目標,將環保理念納入采購流程中,采購人員于收集市場資訊時,優先提供符合「大河電子無有害物質管理作業標準」之材料相關資訊予產品設計人員參考,并依其要求提供符合規范之樣品與規格.原材物料承認時,采購人員須請供應商填寫公司提供之問卷表單及相關RoHS檢測報告,經原材物料相關審驗單位審查通過后,方可使用.
公司以提高用戶滿意度為目標,不斷推進集團整體業務的發展.讓用戶滿意,就是讓使用裝有本公司產品的手機、數碼相機等電子設備的廣大用戶滿意.我們深知這一點,因而更加努力向目標邁進.由于小型水晶元器件在信息通信中是必不可少的部件,因此上述理念已深深植入于本公司每個員工的心中.

近來由于污染排放總量管制受到應有重視,各種污染減量與管理機制的議題已陸續成為主管機關與企業間執行污染防制的重點,為追求生產綠色產品之目標,將環保理念納入采購流程中,采購人員于收集市場資訊時,優先提供符合「大河電子無有害物質管理作業標準」之材料相關資訊予產品設計人員參考,并依其要求提供符合規范之樣品與規格.原材物料承認時,采購人員須請供應商填寫公司提供之問卷表單及相關RoHS檢測報告,經原材物料相關審驗單位審查通過后,方可使用.


SHENZHEN DIGUO TECHONLOGY CO.,LTD
聯系人:譚蘭艾
手 機:86-13826527865
電 話:86-0755-27881119
Q Q:921977998
E-mail:dgkjly@163.com
網 址:www.southsidecondovip.com
地 址:中國廣東省深圳市寶安區西鄉大道新湖路